【 微信扫码咨询 】
特長
優れたインバータ駆動特性
●三菱インバータとの組合せにより標準品で広いトルク範囲を実現
●磁束ベクトル制御時3~60Hz(0.1~0.75kW)、6~60Hz(1.5、2.2kW)の定トルクを確保
●V/F制御で定トルク特性を持つモータの充実(GM-SZシリーズ)
小形・軽量化
●アルミフレームモータの採用、及び構造解析により小形・軽量化を実現
低騒音、低振動
●第1歯車の特殊精密加工またはRGC加工ならびに第2歯車の研磨仕上の採用により低騒音化を実現
●ブレーキカバーの採用、ブレーキギャップの最適化によりブレーキ動作時の衝撃音を低減
●モータにはダイナミックバランス加工を施し、低振動を実現

苏州上野机电设备有限公司销售电话:17895046997 QQ : 2461896109 刘经理
| 電圧 |
| 保護構造 |
| その他 |
400/400/440V 50/60/60Hz、380V 50Hz、415V 50Hz、460V 60Hz(三相、三相ブレーキ付) 200/200V 50/60Hz(単相、単相ブレーキ付) |
屋外形 (三相、三相ブレーキ付)尚、単相モータ付及びワンタッチ手動解放ブレーキ付は屋内仕様のみ |
● 端子箱B組立、C組立、D組立 ● ワンタッチ手動解放ブレーキ付 ● インバータ駆動定トルク(V/F制御)シリーズ(0.1~2.2kW) |
| 海外規格 |
| 保護構造 |
cUL規格、CCC規格(0.1~0.75kW)、EN規格準拠 |
防塵・防水形 (IP65相当) |
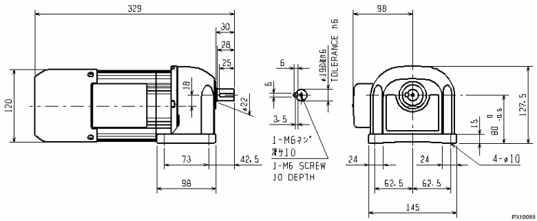
外形寸法図(GM-SB 0.4kW 1/3~1/30)
苏州上野机电设备有限公司销售型号:
苏州上野 GM-S 0.4kW 1/3
减速电机 GM-S 0.4kW 1/5
苏州上野 GM-S 0.4kW 1/10
减速电机 GM-S 0.4kW 1/15
苏州上野 GM-S 0.4kW 1/20
减速电机 GM-S 0.4kW 1/25
苏州上野 GM-S 0.4kW 1/30
减速电机 GM-S 0.4kW 1/40
苏州上野 GM-S 0.4kW 1/50
减速电机 GM-S 0.4kW 1/60
苏州上野 GM-S 0.4kW 1/80
减速电机 GM-S 0.4kW 1/100
苏州上野 GM-S 0.4kW 1/120
减速电机 GM-S 0.4kW 1/160
苏州上野 GM-S 0.4kW 1/200
减速电机 GM-S 0.4kW 1/270
苏州上野 GM-S 0.4kW 1/360
减速电机 GM-S 0.4kW 1/450
苏州上野 GM-S 0.4kW 1/540
减速电机 GM-S 0.4kW 1/720
苏州上野 GM-S 0.4kW 1/900
减速电机 GM-S 0.4kW 1/1200
苏州上野 GM-SB 0.4kW 1/3
减速电机 GM-SB 0.4kW 1/5
苏州上野 GM-SB 0.4kW 1/10
减速电机 GM-SB 0.4kW 1/15
苏州上野 GM-SB 0.4kW 1/20
减速电机 GM-SB 0.4kW 1/25
苏州上野 GM-SB 0.4kW 1/30
减速电机 GM-SB 0.4kW 1/40
苏州上野 GM-SB 0.4kW 1/50
减速电机 GM-SB 0.4kW 1/60
苏州上野 GM-SB 0.4kW 1/80
减速电机 GM-SB 0.4kW 1/100
苏州上野 GM-SB 0.4kW 1/120
减速电机 GM-SB 0.4kW 1/160
苏州上野 GM-SB 0.4kW 1/200
减速电机 GM-SB 0.4kW 1/270
苏州上野 GM-SB 0.4kW 1/360
减速电机 GM-SB 0.4kW 1/450
苏州上野 GM-SB 0.4kW 1/540
减速电机 GM-SB 0.4kW 1/720
苏州上野 GM-SB 0.4kW 1/900
减速电机 GM-SB 0.4kW 1/1200
苏州上野机电设备有限公司销售型号:
苏州上野 GM-S 0.2kW 1/3
减速电机 GM-S 0.2kW 1/5
苏州上野 GM-S 0.2kW 1/10
减速电机 GM-S 0.2kW 1/15
苏州上野 GM-S 0.2kW 1/20
减速电机 GM-S 0.2kW 1/25
苏州上野 GM-S 0.2kW 1/30
减速电机 GM-S 0.2kW 1/40
苏州上野 GM-S 0.2kW 1/50
减速电机 GM-S 0.2kW 1/60
苏州上野 GM-S 0.2kW 1/80
减速电机 GM-S 0.2kW 1/100
苏州上野 GM-S 0.2kW 1/120
减速电机 GM-S 0.2kW 1/160
苏州上野 GM-S 0.2kW 1/200
减速电机 GM-S 0.2kW 1/270
苏州上野 GM-S 0.2kW 1/360
减速电机 GM-S 0.2kW 1/450
苏州上野 GM-S 0.2kW 1/540
减速电机 GM-S 0.2kW 1/720
苏州上野 GM-S 0.2kW 1/900
减速电机 GM-S 0.2kW 1/1200
苏州上野 GM-SB 0.2kW 1/3
减速电机 GM-SB 0.2kW 1/5
苏州上野 GM-SB 0.2kW 1/10
减速电机 GM-SB 0.2kW 1/15
苏州上野 GM-SB 0.2kW 1/20
减速电机 GM-SB 0.2kW 1/25
苏州上野 GM-SB 0.2kW 1/30
减速电机 GM-SB 0.2kW 1/40
苏州上野 GM-SB 0.2kW 1/50
减速电机 GM-SB 0.2kW 1/60
苏州上野 GM-SB 0.2kW 1/80
减速电机 GM-SB 0.2kW 1/100
苏州上野 GM-SB 0.2kW 1/120
减速电机 GM-SB 0.2kW 1/160
苏州上野 GM-SB 0.2kW 1/200
减速电机 GM-SB 0.2kW 1/270
苏州上野 GM-SB 0.2kW 1/360
减速电机 GM-SB 0.2kW 1/450
苏州上野 GM-SB 0.2kW 1/540
减速电机 GM-SB 0.2kW 1/720
苏州上野 GM-SB 0.2kW 1/900
减速电机 GM-SB 0.2kW 1/1200
苏州上野机电设备有限公司销售型号:
苏州上野 GM-S 0.1kW 1/3
减速电机 GM-S 0.1kW 1/5
苏州上野 GM-S 0.1kW 1/10
减速电机 GM-S 0.1kW 1/15
苏州上野 GM-S 0.1kW 1/20
减速电机 GM-S 0.1kW 1/25
苏州上野 GM-S 0.1kW 1/30
减速电机 GM-S 0.1kW 1/40
苏州上野 GM-S 0.1kW 1/50
减速电机 GM-S 0.1kW 1/60
苏州上野 GM-S 0.1kW 1/80
减速电机 GM-S 0.1kW 1/100
苏州上野 GM-S 0.1kW 1/120
减速电机 GM-S 0.1kW 1/160
苏州上野 GM-S 0.1kW 1/200
减速电机 GM-S 0.1kW 1/270
苏州上野 GM-S 0.1kW 1/360
减速电机 GM-S 0.1kW 1/450
苏州上野 GM-S 0.1kW 1/540
减速电机 GM-S 0.1kW 1/720
苏州上野 GM-S 0.1kW 1/900
减速电机 GM-S 0.1kW 1/1200
苏州上野 GM-SB 0.1kW 1/3
减速电机 GM-SB 0.1kW 1/5
苏州上野 GM-SB 0.1kW 1/10
减速电机 GM-SB 0.1kW 1/15
苏州上野 GM-SB 0.1kW 1/20
减速电机 GM-SB 0.1kW 1/25
苏州上野 GM-SB 0.1kW 1/30
减速电机 GM-SB 0.1kW 1/40
苏州上野 GM-SB 0.1kW 1/50
减速电机 GM-SB 0.1kW 1/60
苏州上野 GM-SB 0.1kW 1/80
减速电机 GM-SB 0.1kW 1/100
苏州上野 GM-SB 0.1kW 1/120
减速电机 GM-SB 0.1kW 1/160
苏州上野 GM-SB 0.1kW 1/200
减速电机 GM-SB 0.1kW 1/270
苏州上野 GM-SB 0.1kW 1/360
减速电机 GM-SB 0.1kW 1/450
苏州上野 GM-SB 0.1kW 1/540
减速电机 GM-SB 0.1kW 1/720
苏州上野 GM-SB 0.1kW 1/900
减速电机 GM-SB 0.1kW 1/1200