【 微信扫码咨询 】
GM-D系列是属于平行轴的中型负载系列,铝框架构,结构紧凑,低噪,低振动,功率0.4-7.5KW,速比1/3-1/1200,型号还有GM-DB(带刹车),GM-DF(法兰安装),GM-DFB,GM-DZ,GM-DZB,GM-DZF, GM-DZFB,GM-DW,GM-DBW,GM-DFW,GM-DFBW(带W的都是IP65防尘防水系列),GM-DH,GM-DFH,GM-DD,GM-DDB,GM-DDF,GM-DDFB(DD为高频重负载系列)等。
这些系列三菱减速电机是从事锂离子电池正极材料研发、 高端智能装备业所使用的。
例如以下企业:
容百科技于2019年7月登陆上交所,是科创板首批上市公司之一。容百科技主要产品包括NCM523、NCM622、NCM811、NCA等系列三元正极材料及其前驱体。容百科技于2017年成为国内首批实现高镍NCM811大规模量产的正极材料企业。目前,容百科技的主要客户包括宁德时代、比亚迪、LG化学、三星、力神电池、比克动力、孚能科技、捷威动力等国内外知名动力电池企业。
瀚川智能是一家专业的智能制造装备整体解决方案供应商,主要从事汽车电子、医疗健康、新能源电池等行业智能制造装备的研发、设计、生产、销售及服务,助力制造行业客户实现智能制造。瀚川智能为泰科电子、大陆集团等国际知名客户提供了多种非标、核心智能制造装备;在新能源电池行业,瀚川智能拥有亿纬锂能、欣旺达等优质客户。
嘉元科技 2019年7月嘉元科技正式上市,成为科创板首家主营锂电铜箔的企业。目前嘉元科技销售的主要产品有6μm 极薄锂电铜箔和 7-8μm 超薄锂电铜箔和其他规格锂电铜箔,同时实现 4.5μm 极薄锂电铜箔的小批量生产。嘉元科技与宁德时代、宁德新能源、比亚迪、孚能科技等国内主流锂电池企业建立了稳定的合作关系。
杭可科技 公司致力于各类可充电电池,特别是锂离子电池的后处理系统的设计、研发、生产与销售,为韩国三星、韩国LG、日本索尼(现为日本村田)、宁德新能源、比亚迪、国轩高科、比克动力、天津力神等国内外知名锂离子电池制造商配套供应各类锂离子电池生产线后处理系统设备。
天奈科技 公司主要从事纳米级碳材料及相关产品的研发、生产及销售,公司产品包括碳纳米管粉体、碳纳米管导电浆料、石墨烯复合导电浆料、碳纳米管导电母粒等。从市场格局来看,2018年中国碳纳米管导电浆料前10大企业市场份额占比超90%,其中天奈科技、三顺纳米、集越纳米位居前三,天奈科技凭借比亚迪、ATL、CATL、卡耐等企业需求带动,占据最大市场份额

苏州上野机电设备有限公司销售电话:17895046997 QQ : 2461896109 刘经理
| 電圧 |
| 保護構造 |
| その他 |
400/400/440V 50/60/60Hz、380V 50Hz、415V 50Hz、460V 60Hz(三相、三相ブレーキ付) |
屋内形(三相、三相ブレーキ付) ワンタッチ手動解放ブレーキ付は0.4~2.2kW |
● 端子箱B組立、C組立、D組立 ● ワンタッチ手動解放ブレーキ付(0.4~2.2kW 屋内) ● インバータ駆動定トルク(V/F制御)シリーズ(0.4~7.5kW) |
| 海外規格 |
| 保護構造 |
| その他 |
cUL規格(0.4~2.2kW)、CCC規格(0.4, 0.75kW)、EN規格準拠 |
● 防塵形(IP54相当) ● 防水形(IP45相当) ● 防食形 ● 防塵・防水形(IP65相当 0.4~2.2kW) |
● GM-DDシリーズ(高頻度重負荷用 SF 2.0) ● 高性能省エネ形(高効率モータ搭載) ● 安全増防爆、耐圧防爆形 ● 耐圧防爆インバータ専用ギヤードモータ(磁束ベクトル定トルク、V/F低減トルク) |
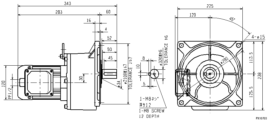
外形寸法図 屋外形(GM-DF 0.4kW 1/60~1/100)
苏州上野机电设备有限公司销售型号:
GM-DF 0.4kW 1/5苏州上野 三菱减速机
GM-DF 0.4kW 1/10苏州上野 三菱减速机
GM-DF 0.4kW 1/15苏州上野 三菱减速机
GM-DF 0.4kW 1/20苏州上野 三菱减速机
GM-DF 0.4kW 1/25苏州上野 三菱减速机
GM-DF 0.4kW 1/30苏州上野 三菱减速机
GM-DF 0.4kW 1/40苏州上野 三菱减速机
GM-DF 0.4kW 1/50苏州上野 三菱减速机
GM-DF 0.4kW 1/60苏州上野 三菱减速机
GM-DF 0.4kW 1/80 苏州上野 三菱减速机
GM-DF 0.4kW 1/100 苏州上野 三菱减速机
GM-DF 0.4kW 1/120 苏州上野 三菱减速机
GM-DF 0.4kW 1/160 苏州上野 三菱减速机
GM-DF 0.4kW 1/200 苏州上野 三菱减速机
GM-DF 0.4kW 1/270 苏州上野 三菱减速机
GM-DF 0.4kW 1/360 苏州上野 三菱减速机
GM-DF 0.4kW 1/450 苏州上野 三菱减速机
GM-DF 0.4kW 1/540 苏州上野 三菱减速机
GM-DF 0.4kW 1/720 苏州上野 三菱减速机
GM-DF 0.4kW 1/900 苏州上野 三菱减速机
GM-DF 0.4kW 1/1200 苏州上野 三菱减速机
GM-DB 0.4kW 1/3 苏州上野 三菱减速机
GM-DB 0.4kW 1/5 苏州上野 三菱减速机
GM-DB 0.4kW 1/10 苏州上野 三菱减速机
GM-DB 0.4kW 1/15 苏州上野 三菱减速机
GM-DB 0.4kW 1/20 苏州上野 三菱减速机
GM-DB 0.4kW 1/25 苏州上野 三菱减速机
GM-DB 0.4kW 1/30 苏州上野 三菱减速机
GM-DB 0.4kW 1/40 苏州上野 三菱减速机
GM-DB 0.4kW 1/50 苏州上野 三菱减速机
GM-DB 0.4kW 1/60 苏州上野 三菱减速机
GM-DB 0.4kW 1/80 苏州上野 三菱减速机
GM-DB 0.4kW 1/100 苏州上野 三菱减速机
GM-DB 0.4kW 1/120 苏州上野 三菱减速机
GM-DB 0.4kW 1/160 苏州上野 三菱减速机
GM-DB 0.4kW 1/200 苏州上野 三菱减速机
GM-DB 0.4kW 1/270 苏州上野 三菱减速机
GM-DB 0.4kW 1/360 苏州上野 三菱减速机
GM-DB 0.4kW 1/450 苏州上野 三菱减速机
GM-DB 0.4kW 1/540 苏州上野 三菱减速机
GM-DB 0.4kW 1/720 苏州上野 三菱减速机
GM-DB 0.4kW 1/900 苏州上野 三菱减速机
GM-DB 0.4kW 1/1200 苏州上野 三菱减速机
GM-D 0.4kW 1/3 苏州上野 三菱减速机
GM-D 0.4kW 1/5 苏州上野 三菱减速机
GM-D 0.4kW 1/10 苏州上野 三菱减速机
GM-D 0.4kW 1/15 苏州上野 三菱减速机
GM-D 0.4kW 1/20 苏州上野 三菱减速机
GM-D 0.4kW 1/25 苏州上野 三菱减速机
GM-D 0.4kW 1/30 苏州上野 三菱减速机
GM-D 0.4kW 1/40 苏州上野 三菱减速机
GM-D 0.4kW 1/50 苏州上野 三菱减速机
GM-D 0.4kW 1/60 苏州上野 三菱减速机
GM-D 0.4kW 1/80 苏州上野 三菱减速机
GM-D 0.4kW 1/100 苏州上野 三菱减速机
GM-D 0.4kW 1/120 苏州上野 三菱减速机
GM-D 0.4kW 1/160 苏州上野 三菱减速机
GM-D 0.4kW 1/200 苏州上野 三菱减速机
GM-D 0.4kW 1/270 苏州上野 三菱减速机
GM-D 0.4kW 1/360 苏州上野 三菱减速机
GM-D 0.4kW 1/450 苏州上野 三菱减速机
GM-D 0.4kW 1/540 苏州上野 三菱减速机
GM-D 0.4kW 1/720 苏州上野 三菱减速机
GM-D 0.4kW 1/900 苏州上野 三菱减速机
GM-D 0.4kW 1/1200 苏州上野 三菱减速机