【 微信扫码咨询 】
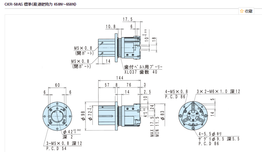
KONSEI近藤机器人周边设备旋转卡盘CKR系列CKR-50AS-ET2LS2
苏州上野刘燕-185-2015-9819同微信



苏州上野刘燕批发销售日本KONSEI近藤机器人周边设备旋转卡盘CKR系列CKR-50AS-ET2LS2.特长:具有旋转功能的强力卡盘。强力卡盘紧凑地设计了旋转功能。不受动作影响的固定式管道、配线。带最适合定位的定时带轮。
株式会社近藤製作所,昭和14年3月5日,愛知県蒲郡市元町12番1号,代表取締役社長 :近藤茂充,产品分别有平行手,支点手,晶圆/液晶手,盘旋,幻灯片,旋转接头,包括机器人高精度自动换手器自动换手器自动切换!超小型线性导轨平行手。
苏州上野公司主要Konsei近藤气爪、Nissei-GTR日精减速机/转向器、MITSUBISHI三菱减速机/电机、Panasonic松下洁净风机、Showa Denki昭和风机、Sakai酒井联轴器、Taiyo-koki太阳工机万向联轴器、Seisa大阪联轴器、Freebear共荣滚珠/举模器、青木减速机、日立减速机、前田流量计、内村脚轮、三星薄型皮带MITSUBOSHI、椿本同步带TSUBAKI、三木离合器Mikipulley、泰拉尔油泵TERAL、日本昭和技研接头SGK、MEIKIKOU升降平台等,我们还与其他厂商建立了良好的代理协作关系,为顾客提供种类繁多价格可靠的众多产品,以及有效地降低了采购和物流成本。我们每个月平均2趟船从日本运货,有些产品货期比较着急,我们上野公司使用DHL,快速清关,这样大大缩短产品的交货期!
苏州上野刘燕日本KONSEI近藤气缸卡盘型号如下:
KHA-25H
KHA-25H-D1
KHA-25R
KHA-45H
KHA-45H-D
KHA-45R
KHA-45R-M
KHA-60H
KHA-60H-D
KHA-60R
KHA-60R-M
KHA-120H
KHA-120H-D
KHA-120R
KHA-120R-M
KHA-180H
KHA-180H-D
KHA-180R
KHA-180R-M
KHA-230H
KHA-230R
KHA-300H
KHA-300H-D
KHA-300R
KHA-300R-M
KHAC-25H
KHAC-25R
HLD-20AS1-ET3S1
HLD-20AS1-ET3S2HLB-12AS
HLB-12AS-E16LS1
HLB-12AS-E16LS2
HLB-12AS-E16S1
HLB-12AS-E16S2
HLB-12AS-E17LS1
HLB-12AS-E17LS2
HLB-12AS-E17S1
HLB-12AS-E17S2
苏州上野刘燕日本KONSEI近藤气缸卡盘型号如下:
HLB-12AS-E26LS1
HLB-12AS-E26LS2
HLB-12AS-E26S1
HLB-12AS-E26S2
HLB-12AS-E27LS1
HLB-12AS-E27LS2
HLB-12AS-E27S1
HLB-12AS-E27S2
HLB-15AS
HLB-15AS-E16LS1
HLB-15AS-E16LS2
HLB-15AS-E16S1
HLB-15AS-E16S2
HLB-15AS-E17LS1
HLB-15AS-E17LS2
HLB-15AS-E17S1
HLB-15AS-E17S2
苏州上野刘燕日本KONSEI近藤气缸卡盘型号如下:
HLB-15AS-E26LS1
CKR-50AS-E25LS1
CKR-63AS
CKR-63AS-E24LS1
CKR-63AS-E24LS2
CKR-63AS-E24S1
CKR-63AS-E24S2
CKR-63AS-E25LS1
CKR-63AS-E25LS2
CKR-63AS-E25S1
CKR-63AS-E25S2
CKR-63AS-ET2LS1
CKR-63AS-ET2LS2
CKR-63AS-ET2S1
CKR-63AS-ET2S2
CKR-63AS-ET3LS1
CKR-63AS-ET3LS2
CKR-63AS-ET3S1
CKR-63AS-ET3S2
HLBG-15AS-E27S1-GH
苏州上野刘燕日本KONSEI近藤气缸卡盘型号如下:
HLBG-15AS-E27S1-GT
HLBG-15AS-E27S2
HLBG-15AS-E27S2-GH
HLBG-15AS-E27S2-GT
HLBG-15AS-GH
HLBG-15AS-GT
HLBG-20AS
HLBG-20AS-E16S1
HLBG-20AS-E16S1-GH
HLBG-12AS-E26S2-GH
HLBG-12AS-E26S2-GT
HLBG-12AS-E27S1
HLBG-12AS-E27S1-GH
HLBG-12AS-E27S1-GT
HLBG-12AS-E27S2
HLBG-12AS-E27S2-GH
HLBG-12AS-E27S2-GT
HLBG-12AS-GH
HLBG-12AS-GT
HLBG-15AS
HLBG-15AS-E16S1
HLBG-15AS-E16S1-GH
HLBG-15AS-E16S1-GT
HLBG-15AS-E16S2
HLBG-15AS-E16S2-GH
苏州上野刘燕日本KONSEI近藤气缸卡盘型号如下:
HLBG-15AS-E16S2-GT
HLBG-15AS-E17S1
HLBG-15AS-E17S1-GH
HLBG-15AS-E17S1-GT
HLBG-15AS-E17S2
HLBG-15AS-E17S2-GH
HLBG-15AS-E17S2-GT
HLBG-15AS-E26S1
HLBG-15AS-E26S1-GH
HLBG-15AS-E26S1-GT
HLBG-15AS-E26S2
HLBG-15AS-E26S2-GH
HLBG-15AS-E26S2-GT
HLBG-15AS-E27S1
HLD-12AS1-ET3LS2
CKR-50AS-E25LS2
CKR-50AS-E25S1
CKR-20AS-E25LS1
CKR-20AS-E25LS2
CKR-20AS-E25S1
CKR-20AS-E25S2
CKR-20AS-ET2LS1
CKR-20AS-ET2LS2
CKR-20AS-ET2S1
CKR-20AS-ET2S2
CKR-20AS-ET3LS1
CKR-20AS-ET3LS2
CKR-20AS-ET3S1
苏州上野刘燕日本KONSEI近藤气缸卡盘型号如下:
CKR-20AS-ET3S2
HLBG-12AS
HLBG-12AS-E16S1
HLBG-12AS-E16S1-GH
HLBG-12AS-E16S1-GT
HLBG-12AS-E16S2
HLBG-12AS-E16S2-GH
HLBG-12AS-E16S2-GT
HLBG-12AS-E17S1
HLBG-12AS-E17S1-GH
HLBG-12AS-E17S1-GT
HLBG-12AS-E17S2
HLBG-12AS-E17S2-GH
HLBG-12AS-E17S2-GT
CKR-50AS-E25S2
CKR-50AS-ET2LS1
CKR-50AS-ET2LS2
CKR-50AS-ET2S1
CKR-50AS-ET2S2
CKR-50AS-ET3LS1
CKR-50AS-ET3LS2
CKR-50AS-ET3S1
CKR-50AS-ET3S2
CKR-40AS-ET2LS1
CKR-40AS-ET2LS2
CKR-40AS-ET2S1
CKR-40AS-ET2S2
CKR-40AS-ET3LS1
CKR-40AS-ET3LS2
CKR-40AS-ET3S1
CKR-40AS-ET3S2
HLD-12AS1-ET3S1
HLD-12AS1-ET3S2
HLD-16AS1
HLD-16AS1-ET2LS1
HLD-16AS1-ET2LS2
HLD-16AS1-ET2S1
HLD-16AS1-ET2S2
HLB-15AS-E26LS2
HLB-15AS-E26S1
HLB-15AS-E26S2
HLB-15AS-E27LS1
HLB-15AS-E27LS2
HLB-15AS-E27S1
HLB-15AS-E27S2
HLB-20AS
HLB-20AS-E16LS1
HLB-20AS-E16LS2
HLB-20AS-E16S1
HLB-20AS-E16S2
HLB-20AS-E17LS1
HLB-20AS-E17LS2
HLB-20AS-E17S1
HLBG-20AS-E16S1-GT
HLBG-20AS-E16S2
HLBG-20AS-E16S2-GH
HLBG-20AS-E16S2-GT
HLBG-20AS-E17S1
HLBG-20AS-E17S1-GH
HLBG-20AS-E17S1-GT
HLBG-20AS-E17S2
苏州上野刘燕日本KONSEI近藤气缸卡盘型号如下:
HLBG-20AS-E17S2-GH
HLBG-20AS-E17S2-GT
HLBG-20AS-E26S1
HLBG-20AS-E26S1-GH
HLBG-20AS-E26S1-GT
HLBG-20AS-E26S2
HLBG-20AS-E26S2-GH
HLBG-20AS-E26S2-GT
HLD-08AS1
HLD-08AS1-ET2LS1
HLD-08AS1-ET2LS2
HLD-08AS1-ET2S1
HLD-08AS1-ET2S2
HLD-08AS1-ET3LS1
HLD-08AS1-ET3LS2
HLD-08AS1-ET3S1
HLD-08AS1-ET3S2
HLD-12AS1
苏州上野刘燕日本KONSEI近藤气缸卡盘型号如下:
HLD-12AS1-ET2LS1
HLD-12AS1-ET2LS2
HLD-12AS1-ET2S1
HLD-12AS1-ET2S2
HLD-12AS1-ET3LS1
CKR-20AS
CKR-20AS-E24LS1
CKR-20AS-E24LS2
CKR-20AS-E24S1
CKR-20AS-E24S2
HLBG-12AS-E26S1
CKR-50AS
CKR-50AS-E24LS1
CKR-50AS-E24LS2
CKR-50AS-E24S1
CKR-50AS-E24S2
HLB-20AS-E17S2
HLB-20AS-E26LS1
苏州上野刘燕日本KONSEI近藤气缸卡盘型号如下:
HLB-20AS-E26LS2
HLB-20AS-E26S1
HLB-20AS-E26S2
HLB-20AS-E27LS1
HLB-20AS-E27LS2
HLB-20AS-E27S1
HLB-20AS-E27S2
HLBG-20AS-E27S1
HLBG-20AS-E27S1-GH
HLBG-20AS-E27S1-GT
HLBG-20AS-E27S2
HLBG-20AS-E27S2-GH
HLBG-20AS-E27S2-GT
HLBG-20AS-GH
HLBG-20AS-GT
CKR-25AS
苏州上野刘燕日本KONSEI近藤气缸卡盘型号如下:
CKR-25AS-E24LS1
CKR-25AS-E24LS2
CKR-25AS-E24S1
CKR-25AS-E24S2
CKR-25AS-E25LS1
CKR-25AS-E25LS2
CKR-25AS-E25S1
CKR-25AS-E25S2
CKR-25AS-ET2LS1
CKR-25AS-ET2LS2
CKR-25AS-ET2S1
CKR-25AS-ET2S2
CKR-25AS-ET3LS1
CKR-25AS-ET3LS2
CKR-25AS-ET3S1
CKR-25AS-ET3S2
CKR-32AS
苏州上野刘燕日本KONSEI近藤气缸卡盘型号如下:
CKR-32AS-E24LS1
CKR-32AS-E24LS2
CKR-32AS-E24S1
CKR-32AS-E24S2
CKR-32AS-E25LS1
CKR-32AS-E25LS2
CKR-32AS-E25S1
CKR-32AS-E25S2
CKR-32AS-ET2LS1
CKR-32AS-ET2LS2
CKR-32AS-ET2S1
CKR-32AS-ET2S2
CKR-32AS-ET3LS1
CKR-32AS-ET3LS2
CKR-32AS-ET3S1
CKR-32AS-ET3S2
苏州上野刘燕日本KONSEI近藤气缸卡盘型号如下:
CKR-40AS
CKR-40AS-E24LS1
CKR-40AS-E24LS2
CKR-40AS-E24S1
CKR-40AS-E24S2
CKR-40AS-E25LS1
CKR-40AS-E25LS2
CKR-40AS-E25S1
苏州上野刘燕日本KONSEI近藤气缸卡盘型号如下:
CKR-40AS-E25S2
HLD-16AS1-ET3LS1
HLD-16AS1-ET3LS2
HLD-16AS1-ET3S1
HLD-16AS1-ET3S2
苏州上野刘燕日本KONSEI近藤气缸卡盘型号如下:
HLD-20AS1
HLD-20AS1-ET2LS1
HLD-20AS1-ET2LS2
HLD-20AS1-ET2S1
HLD-20AS1-ET2S2
HLD-20AS1-ET3LS1
HLD-20AS1-ET3LS2
HLBG-12AS-E26S1-GH
HLBG-12AS-E26S1-GT
苏州上野刘燕日本KONSEI近藤气缸卡盘型号如下:
HLBG-12AS-E26S2