【 微信扫码咨询 】
| 用途 | |
| シリーズ名 | |
| 出力別 | |
| 形名 | |
| 補足 | |
| ご発注コード | |
| ジャストデリバリー | 対応 |
| 納期 | |
| 電源 | |
| モータ | 電圧 |
| 周波数 | |
| 出力 | |
| 極数 | |
| 定格電流(A) | |
| 定格回転速度(r/min) | |
| 外被構造 | |
| 保護構造 | |
| 出力軸 | |
| 耐熱クラス | |
| 定格 | |
| 始動方法 | |
| 減速機 | 取付方式 |
| 公称減速比 | |
| 実減速比 | |
| 出力軸定格回転速度 50Hz(r/min) | |
| 出力軸定格回転速度 60Hz(r/min) | |
| 出力軸許容トルク 50Hz(Nm) | |
| 出力軸許容トルク 60Hz(Nm) | |
| 出力軸許容ラジアル荷重(N) | |
| 出力軸許容スラスト荷重(N) | |
| 潤滑方式 | |
| ブレーキ | ブレーキ方式 |
| ブレーキトルク(Nm) | |
| 慣性モーメント(モータ軸換算)(kg・m2) | |
| 許容C×Z値 | |
| 取付方向 | |
| 設置場所 | |
| 塗装色 | |
| 周囲温度 | |
| 周囲湿度 | |
| 標高 | |
| 振動 | |
| 適用規格 | |
| 付属品 | |
| 標準価格 | |
| 直交軸 | |
ギヤードモータ 直交軸 |
GM-SSYPシリーズ |
GM-SSYPFB-RH 2.2kW 4P 1/20 200/200/220V (50/60/60Hz) |
対応 |
3日以内出荷(9台以下) |
三相 |
200/200/220V |
50/60/60Hz |
2.2kW |
4P |
10.4/9.2/9.0 |
1460/1750/1760 |
全閉外扇形 |
屋内形(IP44相当) |
中空軸(ホローシャフト) |
130(B) |
連続 |
直入れ |
フランジ形フェースマウント共用 |
1/20 |
1/19.89 |
75 |
90 |
238 |
198 |
4214 |
843 |
グリース潤滑 |
直流スプリング制動 |
21.0 |
0.0090 |
360 |
取付自在 |
屋内(腐食性ガス、オイルミスト、引火性ガス、塵埃などないこと) |
シルバー(マンセルN6.0相当) |
-15~+40℃(凍結なきこと) |
90%RH以下 |
海抜1000m以下 |
常時4.9m/s2、瞬時9.8m/s2以下 |
JEC、JEM |
出力軸保護カバー 、特殊座金 |
- |
均一荷重用 |
| 電圧 |
| 保護構造 |
| その他 |
400/400/440V 50/60/60Hz、380V 50Hz、415V 50Hz、460V 60Hz(三相、三相ブレーキ付) |
屋外形(三相、三相ブレーキ付)尚、単相モータ付及びワンタッチ手動解放ブレーキ付は屋内仕様のみ |
● 端子箱B組立、C組立、D組立 ● ワンタッチ手動解放ブレーキ付 |
| 海外規格 |
| 保護構造 |
cUL規格、CCC規格(0.1~0.75kW)、EN規格準拠 |
防塵・防水形(IP65、IP67相当) |
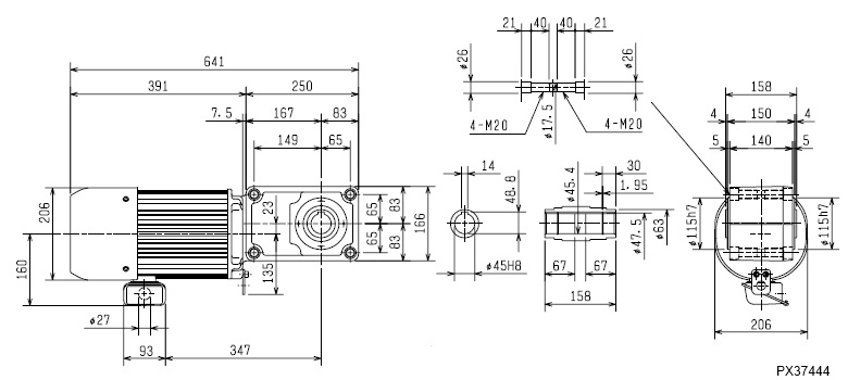
外形寸法図(GM-SSYPF-RH 2.2kW 1/7.5~1/60)
苏州上野机电设备有限公司销售电话:17895046997 QQ :2461896109 刘经理
| GM-SSYPFB-RH 0.75kW 1/7.5 | GM-SSYPFB-RH 0.75kW 1/7.5 | GM-SSYPFB-RH 0.75kW 1/7.5 | GM-SSYPFB-RH 0.75kW 1/7.5 |
| GM-SSYPFB-RH 0.75kW 1/10 | GM-SSYPFB-RH 0.75kW 1/10 | GM-SSYPFB-RH 0.75kW 1/10 | GM-SSYPFB-RH 0.75kW 1/10 |
| GM-SSYPFB-RH 0.75kW 1/12.5 | GM-SSYPFB-RH 0.75kW 1/12.5 | GM-SSYPFB-RH 0.75kW 1/12.5 | GM-SSYPFB-RH 0.75kW 1/12.5 |
| GM-SSYPFB-RH 0.75kW 1/15 | GM-SSYPFB-RH 0.75kW 1/15 | GM-SSYPFB-RH 0.75kW 1/15 | GM-SSYPFB-RH 0.75kW 1/15 |
| GM-SSYPFB-RH 0.75kW 1/20 | GM-SSYPFB-RH 0.75kW 1/20 | GM-SSYPFB-RH 0.75kW 1/20 | GM-SSYPFB-RH 0.75kW 1/20 |
| GM-SSYPFB-RH 0.75kW 1/25 | GM-SSYPFB-RH 0.75kW 1/25 | GM-SSYPFB-RH 0.75kW 1/25 | GM-SSYPFB-RH 0.75kW 1/25 |
| GM-SSYPFB-RH 0.75kW 1/30 | GM-SSYPFB-RH 0.75kW 1/30 | GM-SSYPFB-RH 0.75kW 1/30 | GM-SSYPFB-RH 0.75kW 1/30 |
| GM-SSYPFB-RH 0.75kW 1/40 | GM-SSYPFB-RH 0.75kW 1/40 | GM-SSYPFB-RH 0.75kW 1/40 | GM-SSYPFB-RH 0.75kW 1/40 |
| GM-SSYPFB-RH 0.75kW 1/50 | GM-SSYPFB-RH 0.75kW 1/50 | GM-SSYPFB-RH 0.75kW 1/50 | GM-SSYPFB-RH 0.75kW 1/50 |
| GM-SSYPFB-RH 0.75kW 1/60 | GM-SSYPFB-RH 0.75kW 1/60 | GM-SSYPFB-RH 0.75kW 1/60 | GM-SSYPFB-RH 0.75kW 1/60 |
| GM-SSYPFB-RH 1.5kW 1/7.5 | GM-SSYPFB-RH 1.5kW 1/7.5 | GM-SSYPFB-RH 1.5kW 1/7.5 | GM-SSYPFB-RH 1.5kW 1/7.5 |
| GM-SSYPFB-RH 1.5kW 1/10 | GM-SSYPFB-RH 1.5kW 1/10 | GM-SSYPFB-RH 1.5kW 1/10 | GM-SSYPFB-RH 1.5kW 1/10 |
| GM-SSYPFB-RH 1.5kW 1/12.5 | GM-SSYPFB-RH 1.5kW 1/12.5 | GM-SSYPFB-RH 1.5kW 1/12.5 | GM-SSYPFB-RH 1.5kW 1/12.5 |
| GM-SSYPFB-RH 1.5kW 1/15 | GM-SSYPFB-RH 1.5kW 1/15 | GM-SSYPFB-RH 1.5kW 1/15 | GM-SSYPFB-RH 1.5kW 1/15 |
| GM-SSYPFB-RH 1.5kW 1/20 | GM-SSYPFB-RH 1.5kW 1/20 | GM-SSYPFB-RH 1.5kW 1/20 | GM-SSYPFB-RH 1.5kW 1/20 |
| GM-SSYPFB-RH 1.5kW 1/25 | GM-SSYPFB-RH 1.5kW 1/25 | GM-SSYPFB-RH 1.5kW 1/25 | GM-SSYPFB-RH 1.5kW 1/25 |
| GM-SSYPFB-RH 1.5kW 1/30 | GM-SSYPFB-RH 1.5kW 1/30 | GM-SSYPFB-RH 1.5kW 1/30 | GM-SSYPFB-RH 1.5kW 1/30 |
| GM-SSYF-RH 0.2kW 1/40 | GM-SSYF-RH 0.2kW 1/40 | GM-SSYF-RH 0.2kW 1/40 | GM-SSYF-RH 0.2kW 1/40 |
| GM-SSYF-RH 0.2kW 1/50 | GM-SSYF-RH 0.2kW 1/50 | GM-SSYF-RH 0.2kW 1/50 | GM-SSYF-RH 0.2kW 1/50 |
| GM-SSYF-RH 0.2kW 1/60 | GM-SSYF-RH 0.2kW 1/60 | GM-SSYF-RH 0.2kW 1/60 | GM-SSYF-RH 0.2kW 1/60 |
| GM-SSYPFB-RH 2.2kW 1/7.5 | GM-SSYPFB-RH 2.2kW 1/7.5 | GM-SSYPFB-RH 2.2kW 1/7.5 | GM-SSYPFB-RH 2.2kW 1/7.5 |
| GM-SSYPFB-RH 2.2kW 1/10 | GM-SSYPFB-RH 2.2kW 1/10 | GM-SSYPFB-RH 2.2kW 1/10 | GM-SSYPFB-RH 2.2kW 1/10 |
| GM-SSYPFB-RH 2.2kW 1/12.5 | GM-SSYPFB-RH 2.2kW 1/12.5 | GM-SSYPFB-RH 2.2kW 1/12.5 | GM-SSYPFB-RH 2.2kW 1/12.5 |
| GM-SSYPFB-RH 2.2kW 1/15 | GM-SSYPFB-RH 2.2kW 1/15 | GM-SSYPFB-RH 2.2kW 1/15 | GM-SSYPFB-RH 2.2kW 1/15 |
| GM-SSYPFB-RH 2.2kW 1/20 | GM-SSYPFB-RH 2.2kW 1/20 | GM-SSYPFB-RH 2.2kW 1/20 | GM-SSYPFB-RH 2.2kW 1/20 |
| GM-SSYPFB-RH 2.2kW 1/25 | GM-SSYPFB-RH 2.2kW 1/25 | GM-SSYPFB-RH 2.2kW 1/25 | GM-SSYPFB-RH 2.2kW 1/25 |
| GM-SSYPFB-RH 2.2kW 1/30 | GM-SSYPFB-RH 2.2kW 1/30 | GM-SSYPFB-RH 2.2kW 1/30 | GM-SSYPFB-RH 2.2kW 1/30 |
| GM-SSYF-RH 0.4kW 1/40 | GM-SSYF-RH 0.4kW 1/40 | GM-SSYF-RH 0.4kW 1/40 | GM-SSYF-RH 0.4kW 1/40 |
| GM-SSYF-RH 0.4kW 1/50 | GM-SSYF-RH 0.4kW 1/50 | GM-SSYF-RH 0.4kW 1/50 | GM-SSYF-RH 0.4kW 1/50 |
| GM-SSYF-RH 0.4kW 1/60 | GM-SSYF-RH 0.4kW 1/60 | GM-SSYF-RH 0.4kW 1/60 | GM-SSYF-RH 0.4kW 1/60 |
| GM-SSYFB-RH 0.2kW 1/25 | GM-SSYFB-RH 0.2kW 1/25 | GM-SSYFB-RH 0.2kW 1/25 | GM-SSYFB-RH 0.2kW 1/25 |
| GM-SSYFB-RH 0.2kW 1/30 | GM-SSYFB-RH 0.2kW 1/30 | GM-SSYFB-RH 0.2kW 1/30 | GM-SSYFB-RH 0.2kW 1/30 |
| GM-SSYFB-RH 0.2kW 1/40 | GM-SSYFB-RH 0.2kW 1/40 | GM-SSYFB-RH 0.2kW 1/40 | GM-SSYFB-RH 0.2kW 1/40 |
| GM-SSYFB-RH 0.2kW 1/50 | GM-SSYFB-RH 0.2kW 1/50 | GM-SSYFB-RH 0.2kW 1/50 | GM-SSYFB-RH 0.2kW 1/50 |
| GM-SSYFB-RH 0.2kW 1/60 | GM-SSYFB-RH 0.2kW 1/60 | GM-SSYFB-RH 0.2kW 1/60 | GM-SSYFB-RH 0.2kW 1/60 |
| GM-SSYFB-RH 0.4kW 1/7.5 | GM-SSYFB-RH 0.4kW 1/7.5 | GM-SSYFB-RH 0.4kW 1/7.5 | GM-SSYFB-RH 0.4kW 1/7.5 |
| GM-SSYFB-RH 0.4kW 1/10 | GM-SSYFB-RH 0.4kW 1/10 | GM-SSYFB-RH 0.4kW 1/10 | GM-SSYFB-RH 0.4kW 1/10 |
| GM-SSYFB-RH 0.4kW 1/12.5 | GM-SSYFB-RH 0.4kW 1/12.5 | GM-SSYFB-RH 0.4kW 1/12.5 | GM-SSYFB-RH 0.4kW 1/12.5 |
| GM-SSYFB-RH 0.4kW 1/15 | GM-SSYFB-RH 0.4kW 1/15 | GM-SSYFB-RH 0.4kW 1/15 | GM-SSYFB-RH 0.4kW 1/15 |
| GM-SSYFB-RH 0.4kW 1/20 | GM-SSYFB-RH 0.4kW 1/20 | GM-SSYFB-RH 0.4kW 1/20 | GM-SSYFB-RH 0.4kW 1/20 |
| GM-SSYFB-RH 0.4kW 1/25 | GM-SSYFB-RH 0.4kW 1/25 | GM-SSYFB-RH 0.4kW 1/25 | GM-SSYFB-RH 0.4kW 1/25 |
| GM-SSYFB-RH 0.4kW 1/30 | GM-SSYFB-RH 0.4kW 1/30 | GM-SSYFB-RH 0.4kW 1/30 | GM-SSYFB-RH 0.4kW 1/30 |
| GM-SSYFB-RH 0.4kW 1/40 | GM-SSYFB-RH 0.4kW 1/40 | GM-SSYFB-RH 0.4kW 1/40 | GM-SSYFB-RH 0.4kW 1/40 |
| GM-SSYFB-RH 0.4kW 1/50 | GM-SSYFB-RH 0.4kW 1/50 | GM-SSYFB-RH 0.4kW 1/50 | GM-SSYFB-RH 0.4kW 1/50 |
| GM-SSYFB-RH 0.4kW 1/60 | GM-SSYFB-RH 0.4kW 1/60 | GM-SSYFB-RH 0.4kW 1/60 | GM-SSYFB-RH 0.4kW 1/60 |