【 微信扫码咨询 】
| 電圧 |
| 保護構造 |
| その他 |
400/400/440V 50/60/60Hz、380V 50Hz、415V 50Hz、460V 60Hz(三相、三相ブレーキ付) 100/100V 50/60Hz、 200/200V 50/60Hz(単相、単相ブレーキ付) |
屋内形 (三相、三相ブレーキ付)尚、単相モータ付及びワンタッチ手動解放ブレーキ付は屋内仕様のみ |
● 端子箱B組立、C組立、D組立 ● ワンタッチ手動解放ブレーキ付 ● インバータ駆動定トルク(V/F制御)シリーズ(0.1~2.2kW) |
| 海外規格 |
| 保護構造 |
cUL規格、CCC規格(0.1~0.75kW)、EN規格準拠 |
防塵・防水形(IP65、IP67相当) |
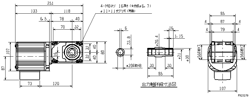
外形寸法図 屋外形(GM-SSYF-RH 0.1kW 1/7.5~1/60)
实物图片
苏州上野机电设备有限公司销售型号:
三菱减速电机销售型号如下图:
| GM-SSYF-RH 0.1kW 1/7.5 | GM-SSYF-RH 0.1kW 1/7.5 | GM-SSYF-RH 0.1kW 1/7.5 | GM-SSYF-RH 0.1kW 1/7.5 |
| GM-SSYF-RH 0.1kW 1/10 | GM-SSYF-RH 0.1kW 1/10 | GM-SSYF-RH 0.1kW 1/10 | GM-SSYF-RH 0.1kW 1/10 |
| GM-SSYF-RH 0.1kW 1/12.5 | GM-SSYF-RH 0.1kW 1/12.5 | GM-SSYF-RH 0.1kW 1/12.5 | GM-SSYF-RH 0.1kW 1/12.5 |
| GM-SSYF-RH 0.1kW 1/15 | GM-SSYF-RH 0.1kW 1/15 | GM-SSYF-RH 0.1kW 1/15 | GM-SSYF-RH 0.1kW 1/15 |
| GM-SSYF-RH 0.1kW 1/20 | GM-SSYF-RH 0.1kW 1/20 | GM-SSYF-RH 0.1kW 1/20 | GM-SSYF-RH 0.1kW 1/20 |
| GM-SSYF-RH 0.1kW 1/25 | GM-SSYF-RH 0.1kW 1/25 | GM-SSYF-RH 0.1kW 1/25 | GM-SSYF-RH 0.1kW 1/25 |
| GM-SSYF-RH 0.1kW 1/30 | GM-SSYF-RH 0.1kW 1/30 | GM-SSYF-RH 0.1kW 1/30 | GM-SSYF-RH 0.1kW 1/30 |
| GM-SSYF-RH 0.1kW 1/40 | GM-SSYF-RH 0.1kW 1/40 | GM-SSYF-RH 0.1kW 1/40 | GM-SSYF-RH 0.1kW 1/40 |
| GM-SSYF-RH 0.1kW 1/50 | GM-SSYF-RH 0.1kW 1/50 | GM-SSYF-RH 0.1kW 1/50 | GM-SSYF-RH 0.1kW 1/50 |
| GM-SSYF-RH 0.1kW 1/60 | GM-SSYF-RH 0.1kW 1/60 | GM-SSYF-RH 0.1kW 1/60 | GM-SSYF-RH 0.1kW 1/60 |
| GM-SSYF-RH 0.2kW 1/7.5 | GM-SSYF-RH 0.2kW 1/7.5 | GM-SSYF-RH 0.2kW 1/7.5 | GM-SSYF-RH 0.2kW 1/7.5 |
| GM-SSYF-RH 0.2kW 1/10 | GM-SSYF-RH 0.2kW 1/10 | GM-SSYF-RH 0.2kW 1/10 | GM-SSYF-RH 0.2kW 1/10 |
| GM-SSYF-RH 0.2kW 1/12.5 | GM-SSYF-RH 0.2kW 1/12.5 | GM-SSYF-RH 0.2kW 1/12.5 | GM-SSYF-RH 0.2kW 1/12.5 |
| GM-SSYF-RH 0.2kW 1/15 | GM-SSYF-RH 0.2kW 1/15 | GM-SSYF-RH 0.2kW 1/15 | GM-SSYF-RH 0.2kW 1/15 |
| GM-SSYF-RH 0.2kW 1/20 | GM-SSYF-RH 0.2kW 1/20 | GM-SSYF-RH 0.2kW 1/20 | GM-SSYF-RH 0.2kW 1/20 |
| GM-SSYF-RH 0.2kW 1/25 | GM-SSYF-RH 0.2kW 1/25 | GM-SSYF-RH 0.2kW 1/25 | GM-SSYF-RH 0.2kW 1/25 |
| GM-SSYF-RH 0.2kW 1/30 | GM-SSYF-RH 0.2kW 1/30 | GM-SSYF-RH 0.2kW 1/30 | GM-SSYF-RH 0.2kW 1/30 |
| GM-SSYF-RH 0.2kW 1/40 | GM-SSYF-RH 0.2kW 1/40 | GM-SSYF-RH 0.2kW 1/40 | GM-SSYF-RH 0.2kW 1/40 |
| GM-SSYF-RH 0.2kW 1/50 | GM-SSYF-RH 0.2kW 1/50 | GM-SSYF-RH 0.2kW 1/50 | GM-SSYF-RH 0.2kW 1/50 |
| GM-SSYF-RH 0.2kW 1/60 | GM-SSYF-RH 0.2kW 1/60 | GM-SSYF-RH 0.2kW 1/60 | GM-SSYF-RH 0.2kW 1/60 |
| GM-SSYF-RH 0.4kW 1/7.5 | GM-SSYF-RH 0.4kW 1/7.5 | GM-SSYF-RH 0.4kW 1/7.5 | GM-SSYF-RH 0.4kW 1/7.5 |
| GM-SSYF-RH 0.4kW 1/10 | GM-SSYF-RH 0.4kW 1/10 | GM-SSYF-RH 0.4kW 1/10 | GM-SSYF-RH 0.4kW 1/10 |
| GM-SSYF-RH 0.4kW 1/12.5 | GM-SSYF-RH 0.4kW 1/12.5 | GM-SSYF-RH 0.4kW 1/12.5 | GM-SSYF-RH 0.4kW 1/12.5 |
| GM-SSYF-RH 0.4kW 1/15 | GM-SSYF-RH 0.4kW 1/15 | GM-SSYF-RH 0.4kW 1/15 | GM-SSYF-RH 0.4kW 1/15 |
| GM-SSYF-RH 0.4kW 1/20 | GM-SSYF-RH 0.4kW 1/20 | GM-SSYF-RH 0.4kW 1/20 | GM-SSYF-RH 0.4kW 1/20 |
| GM-SSYF-RH 0.4kW 1/25 | GM-SSYF-RH 0.4kW 1/25 | GM-SSYF-RH 0.4kW 1/25 | GM-SSYF-RH 0.4kW 1/25 |
| GM-SSYF-RH 0.4kW 1/30 | GM-SSYF-RH 0.4kW 1/30 | GM-SSYF-RH 0.4kW 1/30 | GM-SSYF-RH 0.4kW 1/30 |
| GM-SSYF-RH 0.4kW 1/40 | GM-SSYF-RH 0.4kW 1/40 | GM-SSYF-RH 0.4kW 1/40 | GM-SSYF-RH 0.4kW 1/40 |
| GM-SSYF-RH 0.4kW 1/50 | GM-SSYF-RH 0.4kW 1/50 | GM-SSYF-RH 0.4kW 1/50 | GM-SSYF-RH 0.4kW 1/50 |
| GM-SSYF-RH 0.4kW 1/60 | GM-SSYF-RH 0.4kW 1/60 | GM-SSYF-RH 0.4kW 1/60 | GM-SSYF-RH 0.4kW 1/60 |
| GM-SSYFB-RH 0.1kW 1/7.5 | GM-SSYFB-RH 0.1kW 1/7.5 | GM-SSYFB-RH 0.1kW 1/7.5 | GM-SSYFB-RH 0.1kW 1/7.5 |
| GM-SSYFB-RH 0.1kW 1/10 | GM-SSYFB-RH 0.1kW 1/10 | GM-SSYFB-RH 0.1kW 1/10 | GM-SSYFB-RH 0.1kW 1/10 |
| GM-SSYFB-RH 0.1kW 1/12.5 | GM-SSYFB-RH 0.1kW 1/12.5 | GM-SSYFB-RH 0.1kW 1/12.5 | GM-SSYFB-RH 0.1kW 1/12.5 |
| GM-SSYFB-RH 0.1kW 1/15 | GM-SSYFB-RH 0.1kW 1/15 | GM-SSYFB-RH 0.1kW 1/15 | GM-SSYFB-RH 0.1kW 1/15 |
| GM-SSYFB-RH 0.1kW 1/20 | GM-SSYFB-RH 0.1kW 1/20 | GM-SSYFB-RH 0.1kW 1/20 | GM-SSYFB-RH 0.1kW 1/20 |
| GM-SSYFB-RH 0.1kW 1/25 | GM-SSYFB-RH 0.1kW 1/25 | GM-SSYFB-RH 0.1kW 1/25 | GM-SSYFB-RH 0.1kW 1/25 |
| GM-SSYFB-RH 0.1kW 1/30 | GM-SSYFB-RH 0.1kW 1/30 | GM-SSYFB-RH 0.1kW 1/30 | GM-SSYFB-RH 0.1kW 1/30 |
| GM-SSYFB-RH 0.1kW 1/40 | GM-SSYFB-RH 0.1kW 1/40 | GM-SSYFB-RH 0.1kW 1/40 | GM-SSYFB-RH 0.1kW 1/40 |
| GM-SSYFB-RH 0.1kW 1/50 | GM-SSYFB-RH 0.1kW 1/50 | GM-SSYFB-RH 0.1kW 1/50 | GM-SSYFB-RH 0.1kW 1/50 |
| GM-SSYFB-RH 0.1kW 1/60 | GM-SSYFB-RH 0.1kW 1/60 | GM-SSYFB-RH 0.1kW 1/60 | GM-SSYFB-RH 0.1kW 1/60 |
| GM-SSYFB-RH 0.2kW 1/7.5 | GM-SSYFB-RH 0.2kW 1/7.5 | GM-SSYFB-RH 0.2kW 1/7.5 | GM-SSYFB-RH 0.2kW 1/7.5 |
| GM-SSYFB-RH 0.2kW 1/10 | GM-SSYFB-RH 0.2kW 1/10 | GM-SSYFB-RH 0.2kW 1/10 | GM-SSYFB-RH 0.2kW 1/10 |
| GM-SSYFB-RH 0.2kW 1/12.5 | GM-SSYFB-RH 0.2kW 1/12.5 | GM-SSYFB-RH 0.2kW 1/12.5 | GM-SSYFB-RH 0.2kW 1/12.5 |
| GM-SSYFB-RH 0.2kW 1/15 | GM-SSYFB-RH 0.2kW 1/15 | GM-SSYFB-RH 0.2kW 1/15 | GM-SSYFB-RH 0.2kW 1/15 |
| GM-SSYFB-RH 0.2kW 1/20 | GM-SSYFB-RH 0.2kW 1/20 | GM-SSYFB-RH 0.2kW 1/20 | GM-SSYFB-RH 0.2kW 1/20 |
| GM-SSYPF-RH 0.75kW 1/7.5 | GM-SSYPF-RH 0.75kW 1/7.5 | GM-SSYPF-RH 0.75kW 1/7.5 | GM-SSYPF-RH 0.75kW 1/7.5 |
| GM-SSYPF-RH 0.75kW 1/10 | GM-SSYPF-RH 0.75kW 1/10 | GM-SSYPF-RH 0.75kW 1/10 | GM-SSYPF-RH 0.75kW 1/10 |
| GM-SSYPF-RH 0.75kW 1/12.5 | GM-SSYPF-RH 0.75kW 1/12.5 | GM-SSYPF-RH 0.75kW 1/12.5 | GM-SSYPF-RH 0.75kW 1/12.5 |
| GM-SSYPF-RH 0.75kW 1/15 | GM-SSYPF-RH 0.75kW 1/15 | GM-SSYPF-RH 0.75kW 1/15 | GM-SSYPF-RH 0.75kW 1/15 |
| GM-SSYPF-RH 0.75kW 1/20 | GM-SSYPF-RH 0.75kW 1/20 | GM-SSYPF-RH 0.75kW 1/20 | GM-SSYPF-RH 0.75kW 1/20 |
| GM-SSYPF-RH 0.75kW 1/25 | GM-SSYPF-RH 0.75kW 1/25 | GM-SSYPF-RH 0.75kW 1/25 | GM-SSYPF-RH 0.75kW 1/25 |
| GM-SSYPF-RH 0.75kW 1/30 | GM-SSYPF-RH 0.75kW 1/30 | GM-SSYPF-RH 0.75kW 1/30 | GM-SSYPF-RH 0.75kW 1/30 |
| GM-SSYPF-RH 0.75kW 1/40 | GM-SSYPF-RH 0.75kW 1/40 | GM-SSYPF-RH 0.75kW 1/40 | GM-SSYPF-RH 0.75kW 1/40 |
| GM-SSYPF-RH 0.75kW 1/50 | GM-SSYPF-RH 0.75kW 1/50 | GM-SSYPF-RH 0.75kW 1/50 | GM-SSYPF-RH 0.75kW 1/50 |
| GM-SSYPF-RH 0.75kW 1/60 | GM-SSYPF-RH 0.75kW 1/60 | GM-SSYPF-RH 0.75kW 1/60 | GM-SSYPF-RH 0.75kW 1/60 |
| GM-SSYPF-RH 1.5kW 1/7.5 | GM-SSYPF-RH 1.5kW 1/7.5 | GM-SSYPF-RH 1.5kW 1/7.5 | GM-SSYPF-RH 1.5kW 1/7.5 |
| GM-SSYPF-RH 1.5kW 1/10 | GM-SSYPF-RH 1.5kW 1/10 | GM-SSYPF-RH 1.5kW 1/10 | GM-SSYPF-RH 1.5kW 1/10 |
| GM-SSYPF-RH 1.5kW 1/12.5 | GM-SSYPF-RH 1.5kW 1/12.5 | GM-SSYPF-RH 1.5kW 1/12.5 | GM-SSYPF-RH 1.5kW 1/12.5 |
| GM-SSYPF-RH 1.5kW 1/15 | GM-SSYPF-RH 1.5kW 1/15 | GM-SSYPF-RH 1.5kW 1/15 | GM-SSYPF-RH 1.5kW 1/15 |
| GM-SSYPF-RH 1.5kW 1/20 | GM-SSYPF-RH 1.5kW 1/20 | GM-SSYPF-RH 1.5kW 1/20 | GM-SSYPF-RH 1.5kW 1/20 |
| GM-SSYPF-RH 1.5kW 1/25 | GM-SSYPF-RH 1.5kW 1/25 | GM-SSYPF-RH 1.5kW 1/25 | GM-SSYPF-RH 1.5kW 1/25 |
| GM-SSYPF-RH 1.5kW 1/30 | GM-SSYPF-RH 1.5kW 1/30 | GM-SSYPF-RH 1.5kW 1/30 | GM-SSYPF-RH 1.5kW 1/30 |
| GM-SSYF-RH 0.2kW 1/40 | GM-SSYF-RH 0.2kW 1/40 | GM-SSYF-RH 0.2kW 1/40 | GM-SSYF-RH 0.2kW 1/40 |
| GM-SSYF-RH 0.2kW 1/50 | GM-SSYF-RH 0.2kW 1/50 | GM-SSYF-RH 0.2kW 1/50 | GM-SSYF-RH 0.2kW 1/50 |