全国服务热线: 0512-6605 1469
首页产品资讯
日本三菱平行轴齿轮传动电机型号:GM-DZFB 0.4kW 1/3 220V 60HZ
发布时间:2020-08-17 15:01:27 点击次数:619


用途
系列名称:
不同的输出
形状名称:形状名称
补充
您的订单代码
最好的交付对应
电源
电机(电机)电压,电压
频率:频率
输出
极数数.
额定电流(A)
额定转速(r/min)
外壳结构的结构
保护结构的保护
耐热类;耐热类
额定(额定)
启动方法
减速齿轮.安装方式(安装方式)
标称减速比
实际减速比
输出轴额定转速60 Hz(r/min)
输出轴允许扭矩60 Hz(Nm)
输出轴容许径向载荷(N)
输出轴允许推力载荷(N)
润滑系统的润滑
刹车(刹车)制动系统(制动系统)
制动扭矩(Nm)
惯性力矩(电机轴换算)(kg·m)2)
允许的C×Z值
安装方向;安装方向
安装地点:
涂漆的颜色
周围温度.
周围湿度(湿度)
标高(海拔)
振动(振动)
适用标准;适用标准
附属品
平行轴(平行轴)
齿轮传动电机平行轴
GM-D系列
逆变器驱动恒定扭矩电机
GM-DZFB 0.4kW 4P1/3 200/220V(60/60 Hz)V/F恒定扭矩
不在对象之外
三相三相
200/220 V
60/60 Hz
0.4 kW(千瓦)
4P
2.2/2.3
1720/1735
全闭外扇形
室内形状(相当于IP44)
130(B)
连续
直接放进去.
法兰形
1/3
1/3.00
600
6
686
50
润滑脂润滑(润滑)
直流弹簧制动
3.82
0.00119
360
可自由安装
室内(腐蚀性气体,油雾,易燃气体,灰尘等)
金属灰色(相当于孟塞尔N4.5)
-15℃至+40℃(不冻结)
90%RH以下
海拔1000米以下
总是4.9米/秒2,瞬时9.8米/秒2以下
JEC,JEM
轴端键.
中荷用用







































































苏州上野机电设备有限公司销售电话:17895046997   刘经理


准标准规范

电压,电压
保护结构的保护
其他的.
400/400/440V 50/60/60 Hz、380V 50 Hz、415V50 Hz、460V 60 Hz(带三相、三相制动器)
400/440V 60/60 Hz(V/F控制逆变器驱动恒定扭矩)
室外形式(带三相、三相制动器)另外,带单触式手动释放制动器的只有室内规格
接线盒B组装、C组装、D组装

特殊规格;特殊规格

其他的.
逆变器驱动PLG反馈控制
防爆逆变器专用(磁通矢量控制逆变器恒定转矩、V/F控制逆变器降低转矩)

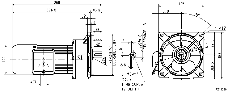
外形尺寸图(GM-DZFB 0.4kW 1/3~1/50)


苏州上野机电设备有限公司销售型号:

GM-DF 0.4kW 1/3GM-DF 0.4kW 1/3
GM-DF 0.4kW 1/5GM-DF 0.4kW 1/5GM-DF 0.4kW 1/3
GM-DF 0.4kW 1/10GM-DF 0.4kW 1/10GM-DF 0.4kW 1/5
GM-DF 0.4kW 1/15GM-DF 0.4kW 1/15GM-DF 0.4kW 1/10
GM-DF 0.4kW 1/20GM-DF 0.4kW 1/20GM-DF 0.4kW 1/15
GM-DF 0.4kW 1/25GM-DF 0.4kW 1/25GM-DF 0.4kW 1/20
GM-DF 0.4kW 1/30GM-DF 0.4kW 1/30GM-DF 0.4kW 1/25
GM-DF 0.4kW 1/40GM-DF 0.4kW 1/40GM-DF 0.4kW 1/30
GM-DF 0.4kW 1/50GM-DF 0.4kW 1/50GM-DF 0.4kW 1/40
GM-DF 0.4kW 1/60GM-DF 0.4kW 1/60GM-DF 0.4kW 1/50
GM-DF 0.4kW 1/80GM-DF 0.4kW 1/80GM-DF 0.4kW 1/60
GM-DF 0.4kW 1/100GM-DF 0.4kW 1/100GM-DF 0.4kW 1/80
GM-DF 0.4kW 1/120GM-DF 0.4kW 1/120GM-DF 0.4kW 1/100
GM-DF 0.4kW 1/160GM-DF 0.4kW 1/160GM-DF 0.4kW 1/120
GM-DF 0.4kW 1/200GM-DF 0.4kW 1/200GM-DF 0.4kW 1/160
GM-DF 0.4kW 1/270GM-DF 0.4kW 1/270GM-DF 0.4kW 1/200
GM-DF 0.4kW 1/360GM-DF 0.4kW 1/360GM-DF 0.4kW 1/270
GM-DF 0.4kW 1/450GM-DF 0.4kW 1/450GM-DF 0.4kW 1/360
GM-DF 0.4kW 1/540GM-DF 0.4kW 1/540GM-DF 0.4kW 1/450
GM-DF 0.4kW 1/720GM-DF 0.4kW 1/720GM-DF 0.4kW 1/540
GM-DF 0.4kW 1/900GM-DF 0.4kW 1/900GM-DF 0.4kW 1/720
GM-DF 0.4kW 1/1200GM-DF 0.4kW 1/1200GM-DF 0.4kW 1/900
GM-DFB 0.4kW 1/3GM-DFB 0.4kW 1/3GM-DF 0.4kW 1/1200
GM-DFB 0.4kW 1/5GM-DFB 0.4kW 1/5GM-DFB 0.4kW 1/3
GM-DFB 0.4kW 1/10GM-DFB 0.4kW 1/10GM-DFB 0.4kW 1/5
GM-DFB 0.4kW 1/15GM-DFB 0.4kW 1/15GM-DFB 0.4kW 1/10
GM-DFB 0.4kW 1/20GM-DFB 0.4kW 1/20GM-DFB 0.4kW 1/15
GM-DFB 0.4kW 1/25GM-DFB 0.4kW 1/25GM-DFB 0.4kW 1/20
GM-DFB 0.4kW 1/30GM-DFB 0.4kW 1/30GM-DFB 0.4kW 1/25
GM-DFB 0.4kW 1/40GM-DFB 0.4kW 1/40GM-DFB 0.4kW 1/30
GM-DFB 0.4kW 1/50GM-DFB 0.4kW 1/50GM-DFB 0.4kW 1/40
GM-DFB 0.4kW 1/60GM-DFB 0.4kW 1/60GM-DFB 0.4kW 1/50
GM-DFB 0.4kW 1/80GM-DFB 0.4kW 1/80GM-DFB 0.4kW 1/60
GM-DFB 0.4kW 1/100GM-DFB 0.4kW 1/100GM-DFB 0.4kW 1/80
GM-DFB 0.4kW 1/120GM-DFB 0.4kW 1/120GM-DFB 0.4kW 1/100
GM-DFB 0.4kW 1/160GM-DFB 0.4kW 1/160GM-DFB 0.4kW 1/120
GM-DFB 0.4kW 1/200GM-DFB 0.4kW 1/200GM-DFB 0.4kW 1/160
GM-DFB 0.4kW 1/270GM-DFB 0.4kW 1/270GM-DFB 0.4kW 1/200
GM-DFB 0.4kW 1/360GM-DFB 0.4kW 1/360GM-DFB 0.4kW 1/270
GM-DFB 0.4kW 1/450GM-DFB 0.4kW 1/450GM-DFB 0.4kW 1/360
GM-DFB 0.4kW 1/540GM-DFB 0.4kW 1/540GM-DFB 0.4kW 1/450
GM-DFB 0.4kW 1/720GM-DFB 0.4kW 1/720GM-DFB 0.4kW 1/540
GM-DFB 0.4kW 1/900GM-DFB 0.4kW 1/900GM-DFB 0.4kW 1/720
GM-DFB 0.4kW 1/1200GM-DFB 0.4kW 1/1200GM-DFB 0.4kW 1/900
GM-DZ 0.4kW 1/3GM-DZ 0.4kW 1/3GM-DFB 0.4kW 1/1200
GM-DZ 0.4kW 1/5GM-DZ 0.4kW 1/5GM-DZ 0.4kW 1/3
GM-DZ 0.4kW 1/10GM-DZ 0.4kW 1/10GM-DZ 0.4kW 1/5
GM-DZ 0.4kW 1/15GM-DZ 0.4kW 1/15GM-DZ 0.4kW 1/10
GM-DZ 0.4kW 1/20GM-DZ 0.4kW 1/20GM-DZ 0.4kW 1/15
GM-DZ 0.4kW 1/25GM-DZ 0.4kW 1/25GM-DZ 0.4kW 1/20
GM-DZ 0.4kW 1/30GM-DZ 0.4kW 1/30GM-DZ 0.4kW 1/25
GM-DZ 0.4kW 1/40GM-DZ 0.4kW 1/40GM-DZ 0.4kW 1/30
GM-DZ 0.4kW 1/50GM-DZ 0.4kW 1/50GM-DZ 0.4kW 1/40
GM-DZ 0.4kW 1/60GM-DZ 0.4kW 1/60GM-DZ 0.4kW 1/50
GM-DZ 0.4kW 1/80GM-DZ 0.4kW 1/80GM-DZ 0.4kW 1/60
GM-DZ 0.4kW 1/100GM-DZ 0.4kW 1/100GM-DZ 0.4kW 1/80
GM-DZ 0.4kW 1/120GM-DZ 0.4kW 1/120GM-DZ 0.4kW 1/100
GM-DZ 0.4kW 1/160GM-DZ 0.4kW 1/160GM-DZ 0.4kW 1/120
GM-DZ 0.4kW 1/200GM-DZ 0.4kW 1/200GM-DZ 0.4kW 1/160
GM-DZ 0.4kW 1/270GM-DZ 0.4kW 1/270GM-DZ 0.4kW 1/200
GM-DZ 0.4kW 1/360GM-DZ 0.4kW 1/360GM-DZ 0.4kW 1/270
GM-DZ 0.4kW 1/450GM-DZ 0.4kW 1/450GM-DZ 0.4kW 1/360
GM-DZ 0.4kW 1/540GM-DZ 0.4kW 1/540GM-DZ 0.4kW 1/450
GM-DZ 0.4kW 1/720GM-DZ 0.4kW 1/720GM-DZ 0.4kW 1/540
GM-DZ 0.4kW 1/900GM-DZ 0.4kW 1/900GM-DZ 0.4kW 1/720
GM-DZ 0.4kW 1/1200GM-DZ 0.4kW 1/1200GM-DZ 0.4kW 1/900
GM-DZB 0.4kW 1/3GM-DZB 0.4kW 1/3GM-DZ 0.4kW 1/1200
GM-DZB 0.4kW 1/5GM-DZB 0.4kW 1/5GM-DZB 0.4kW 1/3
GM-DZB 0.4kW 1/10GM-DZB 0.4kW 1/10GM-DZB 0.4kW 1/5
GM-DZB 0.4kW 1/15GM-DZB 0.4kW 1/15GM-DZB 0.4kW 1/10
GM-DZB 0.4kW 1/20GM-DZB 0.4kW 1/20GM-DZB 0.4kW 1/15
GM-DZB 0.4kW 1/25GM-DZB 0.4kW 1/25GM-DZB 0.4kW 1/20
GM-DZB 0.4kW 1/30GM-DZB 0.4kW 1/30GM-DZB 0.4kW 1/25
GM-DZB 0.4kW 1/40GM-DZB 0.4kW 1/40GM-DZB 0.4kW 1/30
GM-DZB 0.4kW 1/50GM-DZB 0.4kW 1/50GM-DZB 0.4kW 1/40
GM-DZB 0.4kW 1/60GM-DZB 0.4kW 1/60GM-DZB 0.4kW 1/50
GM-DZB 0.4kW 1/80GM-DZB 0.4kW 1/80GM-DZB 0.4kW 1/60
GM-DZB 0.4kW 1/100GM-DZB 0.4kW 1/100GM-DZB 0.4kW 1/80
GM-DZB 0.4kW 1/120GM-DZB 0.4kW 1/120GM-DZB 0.4kW 1/100
GM-DZB 0.4kW 1/160GM-DZB 0.4kW 1/160GM-DZB 0.4kW 1/120
GM-DZB 0.4kW 1/200GM-DZB 0.4kW 1/200GM-DZB 0.4kW 1/160
GM-DZB 0.4kW 1/270GM-DZB 0.4kW 1/270GM-DZB 0.4kW 1/200
GM-DZB 0.4kW 1/360GM-DZB 0.4kW 1/360GM-DZB 0.4kW 1/270
GM-DZB 0.4kW 1/450GM-DZB 0.4kW 1/450GM-DZB 0.4kW 1/360
GM-DZB 0.4kW 1/540GM-DZB 0.4kW 1/540GM-DZB 0.4kW 1/450
GM-DZB 0.4kW 1/720GM-DZB 0.4kW 1/720GM-DZB 0.4kW 1/540
GM-DZB 0.4kW 1/900GM-DZB 0.4kW 1/900GM-DZB 0.4kW 1/720
GM-DZB 0.4kW 1/1200GM-DZB 0.4kW 1/1200GM-DZB 0.4kW 1/900
GM-DZF 0.4kW 1/3GM-DZF 0.4kW 1/3GM-DZB 0.4kW 1/1200
GM-DZF 0.4kW 1/5GM-DZF 0.4kW 1/5GM-DZF 0.4kW 1/3
GM-DZF 0.4kW 1/10GM-DZF 0.4kW 1/10GM-DZF 0.4kW 1/5
GM-DZF 0.4kW 1/15GM-DZF 0.4kW 1/15GM-DZF 0.4kW 1/10
GM-DZF 0.4kW 1/20GM-DZF 0.4kW 1/20GM-DZF 0.4kW 1/15
GM-DZF 0.4kW 1/25GM-DZF 0.4kW 1/25GM-DZF 0.4kW 1/20
GM-DZF 0.4kW 1/30GM-DZF 0.4kW 1/30GM-DZF 0.4kW 1/25
GM-DZF 0.4kW 1/40GM-DZF 0.4kW 1/40GM-DZF 0.4kW 1/30
GM-DZF 0.4kW 1/50GM-DZF 0.4kW 1/50GM-DZF 0.4kW 1/40
GM-DZF 0.4kW 1/60GM-DZF 0.4kW 1/60GM-DZF 0.4kW 1/50
GM-DZF 0.4kW 1/80GM-DZF 0.4kW 1/80GM-DZF 0.4kW 1/60
GM-DZF 0.4kW 1/100GM-DZF 0.4kW 1/100GM-DZF 0.4kW 1/80
GM-DZF 0.4kW 1/120GM-DZF 0.4kW 1/120GM-DZF 0.4kW 1/100
GM-DZF 0.4kW 1/160GM-DZF 0.4kW 1/160GM-DZF 0.4kW 1/120
GM-DZF 0.4kW 1/200GM-DZF 0.4kW 1/200GM-DZF 0.4kW 1/160
GM-DZF 0.4kW 1/270GM-DZF 0.4kW 1/270GM-DZF 0.4kW 1/200
GM-DZF 0.4kW 1/360GM-DZF 0.4kW 1/360GM-DZF 0.4kW 1/270
GM-DZF 0.4kW 1/450GM-DZF 0.4kW 1/450GM-DZF 0.4kW 1/360
GM-DZF 0.4kW 1/540GM-DZF 0.4kW 1/540GM-DZF 0.4kW 1/450
GM-DZF 0.4kW 1/720GM-DZF 0.4kW 1/720GM-DZF 0.4kW 1/540
GM-DZF 0.4kW 1/900GM-DZF 0.4kW 1/900GM-DZF 0.4kW 1/720
GM-DZF 0.4kW 1/1200GM-DZF 0.4kW 1/1200GM-DZF 0.4kW 1/900


GM-DZF 0.4kW 1/1200














  • 热线电话:0512-8781 4269 分机号:802
  • :1789-5046-997 1889-6984-864
  • :0512-6605 1469
  • :0512-6605 1489
  • 联系人:刘工
  • :2461896109@qq.com
  • :www.mitsubishigearmotor.com
  • :苏州市吴中区南湖路71号天贸大厦509
  • 微信二维码 微信二维码
  • 官网二维码 官网二维码

版权归三菱减速电机所有苏ICP备16035515号 技术支持:易动力网络