【 微信扫码咨询 】

苏州上野机电设备有限公司销售电话:17895046997 刘经理
| 用途 | |
| シリーズ名 | |
| 出力別 | |
| 形名 | |
| 補足 | |
| ご発注コード | |
| ジャストデリバリー | 対応 |
| 納期 | |
| 電源 | |
| モータ | 電圧 |
| 周波数 | |
| 出力 | |
| 極数 | |
| 定格電流(A) | |
| 定格回転速度(r/min) | |
| 外被構造 | |
| 保護構造 | |
| 出力軸 | |
| 耐熱クラス | |
| 定格 | |
| 始動方法 | |
| 減速機 | 取付方式 |
| 公称減速比 | |
| 実減速比 | |
| 出力軸定格回転速度 50Hz(r/min) | |
| 出力軸定格回転速度 60Hz(r/min) | |
| 出力軸許容トルク 50Hz(Nm) | |
| 出力軸許容トルク 60Hz(Nm) | |
| 出力軸許容ラジアル荷重(N) | |
| 出力軸許容スラスト荷重(N) | |
| 潤滑方式 | |
| ブレーキ | ブレーキ方式 |
| 慣性モーメント(モータ軸換算)(kg・m2) | |
| 許容C×Z値 | |
| 取付方向 | |
| 設置場所 | |
| 塗装色 | |
| 周囲温度 | |
| 周囲湿度 | |
| 標高 | |
| 振動 | |
| 適用規格 | |
| 付属品 | |
| 標準価格 | |
| 直交軸 | |
ギヤードモータ 直交軸 |
GM-SSYシリーズ |
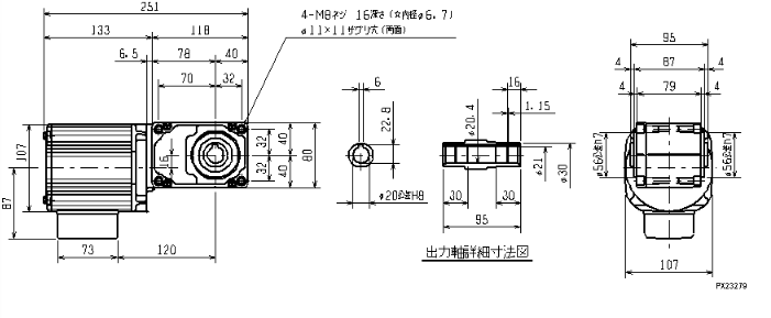
GM-SSYF-RH 0.1kW 4P 1/10 200/200/220V (50/60/60Hz) |
対応 |
在庫欠品時、3日以内出荷(9台以下) |
三相 |
200/200/220V |
50/60/60Hz |
0.1kW |
4P |
0.7/0.65/0.65 |
1407/1671/1699 |
全閉自冷形 |
屋内形(IP44相当) |
中空軸(ホローシャフト) |
120(E) |
連続 |
直入れ |
フランジ形フェースマウント共用 |
1/10 |
1/10.06 |
150 |
180 |
5.41 |
4.51 |
1176 |
235 |
グリース潤滑 |
ブレーキなし |
3.5E-4 |
360 |
取付自在 |
屋内(腐食性ガス、オイルミスト、引火性ガス、塵埃などないこと) |
シルバー(マンセルN6.0相当) |
-15~+40℃(凍結なきこと) |
90%RH以下 |
海抜1000m以下 |
常時4.9m/s2、瞬時9.8m/s2以下 |
JEC、JEM |
出力軸保護カバー 、特殊座金 |
- |
均一荷重用 |

苏州上野机电设备有限公司销售型号:
GM-SSYF-RH 0.1kW 1/7.5
GM-SSYF-RH 0.1kW 1/10
GM-SSYF-RH 0.1kW 1/12.5
GM-SSYF-RH 0.1kW 1/15
GM-SSYF-RH 0.1kW 1/20
GM-SSYF-RH 0.1kW 1/25
GM-SSYF-RH 0.1kW 1/30
GM-SSYF-RH 0.1kW 1/40
GM-SSYF-RH 0.1kW 1/50
GM-SSYF-RH 0.1kW 1/60
GM-SSYF-RH 0.2kW 1/7.5
GM-SSYF-RH 0.2kW 1/10
GM-SSYF-RH 0.2kW 1/12.5
GM-SSYF-RH 0.2kW 1/15
GM-SSYF-RH 0.2kW 1/20
GM-SSYF-RH 0.2kW 1/25
GM-SSYF-RH 0.2kW 1/30
GM-SSYF-RH 0.2kW 1/40
GM-SSYF-RH 0.2kW 1/50
GM-SSYF-RH 0.2kW 1/60
GM-SSYF-RH 0.4kW 1/7.5
GM-SSYF-RH 0.4kW 1/10
GM-SSYF-RH 0.4kW 1/12.5
GM-SSYF-RH 0.4kW 1/15
GM-SSYF-RH 0.4kW 1/20
GM-SSYF-RH 0.4kW 1/25
GM-SSYF-RH 0.4kW 1/30
GM-SSYF-RH 0.4kW 1/40
GM-SSYF-RH 0.4kW 1/50
GM-SSYF-RH 0.4kW 1/60
苏州上野机电设备有限公司销售型号:
GM-SSYFB-RH 0.1kW 1/7.5
GM-SSYFB-RH 0.1kW 1/10
GM-SSYFB-RH 0.1kW 1/12.5
GM-SSYFB-RH 0.1kW 1/15
GM-SSYFB-RH 0.1kW 1/20
GM-SSYFB-RH 0.1kW 1/25
GM-SSYFB-RH 0.1kW 1/30
GM-SSYFB-RH 0.1kW 1/40
GM-SSYFB-RH 0.1kW 1/50
GM-SSYFB-RH 0.1kW 1/60
GM-SSYFB-RH 0.2kW 1/7.5
GM-SSYFB-RH 0.2kW 1/10
GM-SSYFB-RH 0.2kW 1/12.5
GM-SSYFB-RH 0.2kW 1/15
GM-SSYFB-RH 0.2kW 1/20
GM-SSYFB-RH 0.2kW 1/25
GM-SSYFB-RH 0.2kW 1/30
GM-SSYFB-RH 0.2kW 1/40
GM-SSYFB-RH 0.2kW 1/50
GM-SSYFB-RH 0.2kW 1/60
GM-SSYFB-RH 0.4kW 1/7.5
GM-SSYFB-RH 0.4kW 1/10
GM-SSYFB-RH 0.4kW 1/12.5
GM-SSYFB-RH 0.4kW 1/15
GM-SSYFB-RH 0.4kW 1/20
GM-SSYFB-RH 0.4kW 1/25
GM-SSYFB-RH 0.4kW 1/30
GM-SSYFB-RH 0.4kW 1/40
GM-SSYFB-RH 0.4kW 1/50
GM-SSYFB-RH 0.4kW 1/60
GM-SSYFB-RH 0.1kW 1/7.5
GM-SSYFB-RH 0.1kW 1/10
GM-SSYFB-RH 0.1kW 1/12.5
GM-SSYFB-RH 0.1kW 1/15
GM-SSYFB-RH 0.1kW 1/20
GM-SSYFB-RH 0.1kW 1/25
GM-SSYFB-RH 0.1kW 1/30
GM-SSYFB-RH 0.1kW 1/40
GM-SSYFB-RH 0.1kW 1/50
GM-SSYFB-RH 0.1kW 1/60
GM-SSYFB-RH 0.2kW 1/7.5
GM-SSYFB-RH 0.2kW 1/10
GM-SSYFB-RH 0.2kW 1/12.5
GM-SSYFB-RH 0.2kW 1/15
GM-SSYFB-RH 0.2kW 1/20
GM-SSYFB-RH 0.2kW 1/25
GM-SSYFB-RH 0.2kW 1/30
GM-SSYFB-RH 0.2kW 1/40
GM-SSYFB-RH 0.2kW 1/50
GM-SSYFB-RH 0.2kW 1/60
GM-SSYFB-RH 0.4kW 1/7.5
GM-SSYFB-RH 0.4kW 1/10
GM-SSYFB-RH 0.4kW 1/12.5
GM-SSYFB-RH 0.4kW 1/15
GM-SSYFB-RH 0.4kW 1/20
GM-SSYFB-RH 0.4kW 1/25
GM-SSYFB-RH 0.4kW 1/30
GM-SSYFB-RH 0.4kW 1/40
GM-SSYFB-RH 0.4kW 1/50
GM-SSYFB-RH 0.4kW 1/60